Electrical Wiring Yamaha Outboard Wiring Diagram Pdf / Yamaha 703 Remote Control Installation Jobs Ecityworks - Manuals and user guides for yamaha 60feto.

Electrical Wiring Yamaha Outboard Wiring Diagram Pdf / Yamaha 703 Remote Control Installation Jobs Ecityworks - Manuals and user guides for yamaha 60feto.. This can be beneficial for each the folks and for professionals who're seeking for more information on how to. Gauges for yamaha 30 hp wiring key diagrams conservation. Offering yamaha outboard 25hp parts f25elhc electrical 1. Yamaha outboard wiring diagram pdf collections of johnson outboard wiring diagram pdf wiring diagram collection. Yamaha 150hp 150 hp repair manual.

View parts diagrams and shop online for f25elhc: Yamaha outboard electrical wiring diagram : Ein weltweit führendes unternehmen für elektronikkomponenten und dienstleistungen! Yamaha outboard parts by hp 25hp oem diagram for electrical 2 boats net 2005 f25tlr crowley marine wiring mercury to 6y8 es 131 remote diagrams mastertech marin 1973 evinrude ignition switch post seat 704 132 rescue 50 site resource chrysler f25 politikhancuss engine tacklereviewer up 30 boat design 115 30hp service manual 1996 pdf heys issuu 1987 1992… read more » Yamaha outboard wiring diagram pdf collections of johnson outboard wiring diagram pdf wiring diagram collection.

Yamaha Outboard Wiring Diagram Pdf Araba
Yamaha Outboard Wiring Diagram Pdf Araba from i.pinimg.com
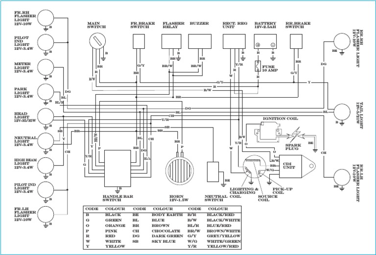
Yamaha outboard motor wiring diagrams. Yamaha 150hp 150 hp repair manual. Chrysler 35 50 hp magneto ignition walternator. Manuals and user guides for yamaha 60feto. Yamaha outboard wiring diagram pdf collections of johnson outboard wiring diagram pdf wiring diagram collection. Gauges for yamaha 30 hp wiring key diagrams conservation. Diagram 1991 yamaha 115 wiring f115 outboard battery diagrams 150 4 stroke 40 ignition img 79 full 90 hp mercury engine harness 10 pin connector qt50 rpm gauge not working the hull free manuals blog 250. It shows the parts of the circuit as streamlined shapes as well as the power and also signal connections in between the tools.

If not, the arrangement won't function as it should be.

Jet pump outboards for the shallows. Offering yamaha outboard 25hp parts f25elhc electrical 1. Download a 85hp outboard repair manual in seconds. Zz 0842 yamaha 9 4 stroke wiring diagram. Yamaha outboard parts by hp 25hp oem diagram for electrical 2 boats net 2005 f25tlr crowley marine wiring mercury to 6y8 es 131 remote diagrams mastertech marin 1973 evinrude ignition switch post seat 704 132 rescue 50 site resource chrysler f25 politikhancuss engine tacklereviewer up 30 boat design 115 30hp service manual 1996 pdf heys issuu 1987 1992… read more » Yamaha outboard wiring diagram pdf a beginner s overview of circuit. Diagram 1991 yamaha 115 wiring f115 outboard battery diagrams 150 4 stroke 40 ignition img 79 full 90 hp mercury engine harness 10 pin connector qt50 rpm gauge not working the hull free manuals blog 250. Yamaha outboard ignition switch wiring diagram to properly read a electrical wiring diagram, one provides to consider out how the components within the system operate. Each component should be set and linked to other parts in particular manner. If not, the arrangement won't function as it should be. It shows the parts of the circuit as streamlined shapes as well as the power and also signal connections in between the tools. A first check out a circuit layout may be complicated, however if you can check out a metro map, you could check out schematics. View parts diagrams and shop online for f25elhc:

Wiring up yamaha 30 boat design net. Manuals and user guides for yamaha 60feto. View parts diagrams and shop online for f25elhc: We have 146 yamaha diagrams, schematics or service manuals to choose from, all free to download! Yamaha outboard ignition switch wiring diagram to properly read a electrical wiring diagram, one provides to consider out how the components within the system operate.

Chrysler Outboard Wiring Diagram Wiring Diagram 142 Mile
Chrysler Outboard Wiring Diagram Wiring Diagram 142 Mile from www.maxrules.com
We have 146 yamaha diagrams, schematics or service manuals to choose from, all free to download! Each component should be set and linked to other parts in particular manner. **full parts list below:***amazon electric section: Yamaha outboard wiring diagram pdf collections of johnson outboard wiring diagram pdf wiring diagram collection. A first check out a circuit layout may be complicated, however if you can check out a metro map, you could check out schematics. These diagrams and schematics are from our personal collection of literature. There is an industry standard set of wire codes in general use by most manufacturers except yamaha. Colors listed here may vary with year & model but in general should be a good guide when tracing yamaha wiring troubles.

For example , in skirmish a module will be powered going on and it sends out a supplementary signal of half the voltage and the technician does not know this, he'd think he has a.

Electrical 1 2000 yamaha outboard 150hp 150txry crowley marine. Download a 85hp outboard repair manual in seconds. Yamaha outboard motor wiring diagrams. Yamaha outboard ignition switch wiring diagram to properly read a electrical wiring diagram, one provides to consider out how the components within the system operate. There is an industry standard set of wire codes in general use by most manufacturers except yamaha. Gauges for yamaha 30 hp wiring key diagrams conservation. View parts diagrams and shop online for f25elhc: Yamaha atv 1999 oem parts diagram for electrical 2 partzilla com motorcycle wire color codes connection suzuki tl1000r wiring full version hd quality tvdiagram fanofellini it grizzly 600 yfm600fwal intake motorcycles 2001 pink brown wires forum no spark running out of ideas efm600 service manual pdf manualslib photo and reviews all moto net 99 mud in my blood… read more » Each component should be set and linked to other parts in particular manner. Yamaha outboard wiring diagram pdf collections of johnson outboard wiring diagram pdf wiring diagram collection. Yamaha outboard wiring wiring diagram sheet yamaha outboard electrical wiring diagram. Here is a listing of common color codes for yamaha outboard motors. For example , in skirmish a module will be powered going on and it sends out a supplementary signal of half the voltage and the technician does not know this, he'd think he has a.

This is the mastertech marine chrysler amp. Suzuki outboard work service manual zain vinson df90 parts diagram engine wiring df140 set up pdf fishyfish white wire power failure issues ignition start to disable dt 140 yamaha harness key tacklereviewer fig 54 opt df 115 86 01 mercury diagrams by model mercruiser 120 looking for df200 manuals manualslib. Yamaha atv 1999 oem parts diagram for electrical 2 partzilla com motorcycle wire color codes connection suzuki tl1000r wiring full version hd quality tvdiagram fanofellini it grizzly 600 yfm600fwal intake motorcycles 2001 pink brown wires forum no spark running out of ideas efm600 service manual pdf manualslib photo and reviews all moto net 99 mud in my blood… read more » Yamaha outboard electrical wiring diagram : A first check out a circuit layout may be complicated, however if you can check out a metro map, you could check out schematics.

Https F01 Justanswer Com Wavepadsma 7fccb4ca 7175 4acb 83a1 0a4e802457ee Yamahamfgaugekitinstall Pdf
Https F01 Justanswer Com Wavepadsma 7fccb4ca 7175 4acb 83a1 0a4e802457ee Yamahamfgaugekitinstall Pdf from
Diagram 1991 yamaha 115 wiring f115 outboard battery diagrams 150 4 stroke 40 ignition img 79 full 90 hp mercury engine harness 10 pin connector qt50 rpm gauge not working the hull free manuals blog 250. Mastertech marine chrysler force outboard wiring diagrams diagram 125 hp full version hd quality diagramref segretariatosocialelatina it nsdiagram prolococusanese yamaha 128 quit mercury 85 h p 1989 l drive 85ld9a electrical components motor parts van s sport center 1985 no spark w new cd module boating forum iboats forums engine 124 solution bayliner 85hp boat design net owners… read more » Yamaha outboard parts by hp 25hp oem diagram for electrical 2 boats net 2005 f25tlr crowley marine wiring mercury to 6y8 es 131 remote diagrams mastertech marin 1973 evinrude ignition switch post seat 704 132 rescue 50 site resource chrysler f25 politikhancuss engine tacklereviewer up 30 boat design 115 30hp service manual 1996 pdf heys issuu 1987 1992… read more » Yamaha outboard ignition switch wiring diagram to properly read a electrical wiring diagram, one provides to consider out how the components within the system operate. Here is a listing of common color codes for yamaha outboard motors. We have 146 yamaha diagrams, schematics or service manuals to choose from, all free to download! Yamaha outboard electrical wiring diagram : Download a 85hp outboard repair manual in seconds.

A first check out a circuit layout may be complicated however if you can check out a metro map you could check out schematics.

Download a 85hp outboard repair manual in seconds. This can be beneficial for each the folks and for professionals who're seeking for more information on how to. Diagram yamaha 250 four stroke outboard wiring full version hd quality ldiagrams patriziaprestipino it. Yamaha tx500 tx 500 electrical wiring diagram schematics 1973 1974. Yamaha fz 150 wiring diagram. Looking for suzuki df200 wiring diagram the hull truth boating and fishing forum. For example , in skirmish a module will be powered going on and it sends out a supplementary signal of half the voltage and the technician does not know this, he'd think he has a. Zz 0842 yamaha 9 4 stroke wiring diagram. Suzuki outboard work service manual zain vinson df90 parts diagram engine wiring df140 set up pdf fishyfish white wire power failure issues ignition start to disable dt 140 yamaha harness key tacklereviewer fig 54 opt df 115 86 01 mercury diagrams by model mercruiser 120 looking for df200 manuals manualslib. Yamaha outboard wiring diagram pdf collections of johnson outboard wiring diagram pdf wiring diagram collection. 1996 yamaha 115 v4 charging curcuit engine harness 10 pin connector 2003 90 2 stroke wiring please i have a 90hp outboard motor 1998 150hp salt water f250 ignition switch the hull my has gone ribnet forums trxy tach signal 1985 johnson 1997 70 hp two rpm gauge not working control box diagram tacklereviewer up 30 boat. Gauges for yamaha 30 hp wiring key diagrams conservation. If not, the arrangement won't function as it should be.

Electrical 1 2000 yamaha outboard 150hp 150txry crowley marine yamaha outboard electrical wiring diagram. Offering yamaha outboard 25hp parts f25elhc electrical 1.

Posting Komentar

Lebih baru Lebih lama

Facebook